锰氧化物纳米颗粒
【成分】 锰氧化物、超纯水
【用途】 MO NPs中的锰具有多种氧化态(II, III, IV和VII),这使得它具有多种酶功能。可以在不依赖内源性抗氧化机制的情况下保护细胞免受DNA、蛋白质和脂质等细胞成分的氧化损伤。清除ROS的氧化还原介质,具有良好的生物相容性,具有较强的抗氧化活性,具有清除活性氧的特性,是治疗各种炎症性疾病的工具,也可能作为镇痛药的潜在纳米载体。
【特点】
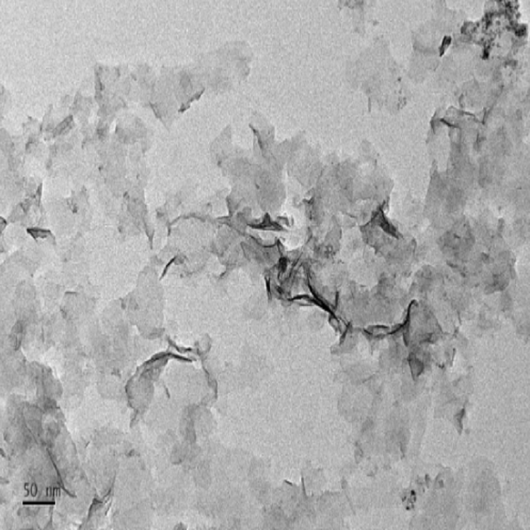
l 粒径6-8nm,单分散性更好。
l 高催化活性。
l 高比表面积,高负载量,易于表面功能化。
l 生物毒性低,可用于下游细胞动物实验。
查看详情